Video zur Produktbedienungsdemonstration:
Den Endschalter an den Linearantrieb anschließen Linearantrieb mit WIFI-Steuerung
Linearantrieb mit Fernbedienung Manuelle Steuerung für linearantrieb
Geschwindigkeit des Linearantriebs per Fernbedienung Geschwindigkeit des linearantriebs per Drehzahlregler
Zwei Linearantriebe verwenden, um die Tür zu öffnen Einen Linearanrieb verwenden, um die Tür zu öffnen
Einführung:
Der Linearantrieb ist mit einem wasserdichten Entlüftungsventil ausgestattet, welches einen freien Luftstrom in den Zylinder hinein und aus ihm heraus ermöglicht. Wenn der Linearantrieb in Betrieb ist, entsteht innerhalb und außerhalb des Zylinders ein Druckunterschied, und Luft strömt durch das Entlüftungsventil in den Zylinder hinein und aus ihm heraus, um sicherzustellen, dass der Druck innerhalb und außerhalb des Zylinders ausgeglichen ist. Gleichzeitig verhindert das Entlüftungsventil, dass Verunreinigungen wie Wasser und Staub in den Zylinder gelangen. Auf diese Weise werden die internen Komponenten des Linearantriebs wirksam geschützt, wodurch sichergestellt wird, dass der Linearantrieb lange Zeit in feuchten Bedingungen betrieben werden kann, ohne dass Leistungseinbußen oder Schäden auftreten.
Applikation:
Es hat ein breites Anwendungsspektrum, hauptsächlich für Szenen mit hohen Anforderungen an Geräuschpegel und Wasserdichtigkeit. Wie Wasserunterhaltung, Geräte auf dem Wasser oder an Bord, Aquakultur, Abwasseraufbereitungssysteme, elektrische Fenster und Türen im Außenbereich, Bewässerungsgeräte und andere wasserbezogene industrielle Automatisierungsgeräte, Haushaltsgeräte und medizinische Geräte.
Hauptsächlich verwendet für Türen, Fenster, Keller, Falltüren, Solar-Tracking-Systeme, medizinische Geräte, Landmaschinen, Fahrzeuge, Schiffe, Aufzugsplattformen, Hubtische, TV-Aufzüge, Roboter, Schränke, Massagesofas, elektrische Betten, medizinische Stühle und andere elektrische Geräte. Es kann diese Geräte öffnen, schließen, schieben, ziehen, anheben und absenken.
Es kann hydraulische und pneumatische Produkte ersetzen, um den Stromverbrauch zu sparen.
Kennzeichen:
Hochwertige Produkte und hochwertige Dienstleistungen
Neues Gehäusedesign, hohe Arbeitsstabilität
Metallgehäuse, geeignet für den Einsatz in sehr rauen Umgebungen
Metallgetriebe, hochfestes verschleißfestes Getriebe
Teleskoprohr und Außenrohr aus Aluminiumlegierung, gute Korrosionsbeständigkeit
Robustes Design, Hochleistungs Gleichstrommotor
Gestaltung der Schneckengetriebestruktur, starke Selbstsperrwirkung
Schneckengetriebe aus technischem Kunststoff POM, geräuscharm
Starker Schub, bis zu 3500N / 350 kg bei 5mm/s
Drei Geschwindigkeits optionen, 5±1mm/s, 10±2mm/s, und 16±3mm/s
Mehrere Hublänge optionen, von 10 mm bis 1500 mm
Wir können jede Hublänge von 10 mm bis 1500 mm anpassen, z. B. 380 mm, 750 mm, 1250 mm usw.
Fortschrittliche wasserdichte und staubdichte Technologie
Mit wasserdichten Entlüftungsventil, ideal für den Einsatz im Freien oder im Regen.
Niedrige Stromverbrauch und niedrige Lärm
Eingebaute zwei Endlagenschalter, der Linearantrieb stoppt automatisch wenn die Hubstange die Endposition erreicht.
Eingebauter Endschaltersignalausgang ist optional.
Eingebauter Hallsensor ist optional, sodass Sie mit dem Synchronregler 2, 3 oder 4 Linearantriebe voll synchron betreiben können.
Mit Selbsthemmungsfunktion, um die Lastposition nach dem Stopp zu halten, und es ist keine Stromversorgung erforderlich.
Wartungsfrei
Spezifikationen:
Optionale Arbeitsspannung: 12V DC, 24V DC, 36V DC oder 48V DC, und 24V ist die am häufigsten verwendete Betriebsspannung.
Hubbereich: 600 mm
Optionale Geschwindigkeit: 5±1mm/s, 10±2mm/s, and 16±3mm/s
Das Obige ist die Geschwindigkeit ohne Last, und die tatsächliche Arbeitsgeschwindigkeit wird sich allmählich verlangsamen, wenn die Last zunimmt.
Max. Last: 3500N / 350 kg bei 5mm/s
Linearantrieb kann maximale Tragfähigkeit erreichen, wenn es in vertikaler Richtung arbeitet, und die Zugkraft ist geringer als die Schubkraft.
Leerlaufstrom: 0.5~1A bei 12V oder 0.3~0.5A bei 24V
Volllaststrom: 7A bei 12V oder 3.5A bei 24V
Bitte verwenden Sie ein 12V/10A oder 24V/5A Netzteil, um einen Linearaktuator mit Strom zu versorgen, oder verwenden Sie ein 12V/20A oder 24V/10A Netzteil, um zwei Linearantriebe mit Strom zu versorgen, oder verwenden Sie ein 12V30A oder 24V/15A Netzteil, um drei oder vier Linearantriebe mit Strom zu versorgen.
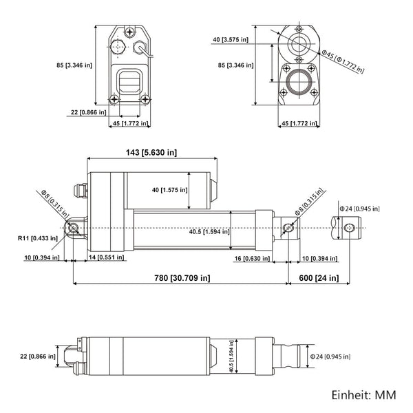
Wellendurchmesser: 20mm
Der Durchmesser der Befestigungslöcher für die Front- und Rückverbinder: 8mm
Gehäusematerial: Aluminiumlegierung
Hubstangenmaterial: Aluminiumlegierung
Zahnradmaterial: technischem Kunststoff POM + Stahllegierung
Motortyp: Gebürsteter Gleichstrommotor
Der Frontsteckerstil kann angepasst werden: Standardmäßig ist es ein Steckverbinder mit offenem Loch, der mit Schlitzstecker, Innengewindestecker usw. angepasst werden kann. Sie können Zeichnungen zur Anpassung bereitstellen.
Die Ausrichtung des Frontsteckers ist standardmäßig, wir können ihn während der Produktion entsprechend den Kundenanforderungen um 90 Grad drehen.
Einschaltdauer: 20%, max. 5 Minuten Dauerbetrieb
Lebensdauer: ca. 25.000 Zyklen
Stromkabel: Zweidrähtiges Kabel für normale Linearantriebe; Fünfadriges Kabel für Linearantriebe mit eingebauten Potentiometern; Sechsadriges Kabel für Linearantriebe mit eingebauten Hall-Sensoren; vier-, fünf- oder sechsadriges Kabel für Linearantriebe mit eingebauten Endschaltersignalausgängen.
Kabellänge der normalen Linearantrieb: 1000±10% mm, die Länge kann auch an Ihre spezifischen Anforderungen angepasst werden.
Zertifizierungen: CE
Umgebungstemperatur: -20℃ bis 80℃
Betriebsgeräusch: ≤45dB (Linearantriebe mit unterschiedlichen Parametern haben unterschiedliche Geräuschpegel.)
Schutzklasse: IP67 (Ideal für den Einsatz im Freien oder im Regen, aber nicht für den Einsatz unter Wasser geeignet.)
Hub und Länge (Modell 0041943)
Hub: 600 mm
Einzugslänge: Wenn der Linearantrieb vollständig eingefahren ist, beträgt der Mittenabstand zwischen den beiden Montagelöchern 780 mm.
Ausfahrlänge: Wenn der Linearantrieb vollständig ausgefahren ist, beträgt der Mittenabstand zwischen den beiden Montagelöchern 1380 mm.
Der Linearantrieb verfügt über zwei eingebaute Endschalter. Wenn der Linearantrieb vollständig eingefahren oder ausgefahren ist, stoppt er automatisch.
Wir können die Position der eingebauten Endschalter während der Produktion anpassen, um die vom Kunden angegebenen Hub- und Einzugslängen zu erreichen. Geben Sie beispielsweise die Hublänge von 580 mm und die Einzugslänge von 800 mm an.
Beachten: Die angegebene Einzugslänge muss größer als die ursprüngliche Länge sein, und der angegebene Hub muss kleiner als der ursprüngliche Hub sein.
Montagehalterungen:
1. Dieser Linearantrieb enthält keine festen Montagehalterungen.klicken Sie bitte hier um sie zu kaufen.
2. Jeder Linearantrieb würde zwei Montagehalterungen benötigen, einer um den Kopf des Linearantriebs zu befestigen, und eine andere um die Unterseite des Linearantriebs zu befestigen.
3. Kompatible Montagehalterungen: Halterung J .
4. Dieser Linearantrieb ist auch mit zwei flachen Montagehalterungen kompatible: Fester Kopfemontage Flache Platten Halterung (Modell 0043078) und Fester Unterseite Montage Flache Platten Halterung (Modell 0043079) .
5. Der Frontsteckerstil des Linearantriebs kann angepasst werden: Standardmäßig ist es ein Steckverbinder mit offenem Loch, der mit Schlitzstecker, Innengewindestecker usw. angepasst werden kann. Und Sie können Zeichnungen zur Anpassung bereitstellen. Wenn Sie eine Anpassung benötigen, klicken Sie hier, um die Anpassungsoption zu erwerben.
Bedienung:
Wenn der Linearantrieb an die Gleichstromversorgung angeschlossen ist, die Hubstange wird sich nach außen erstrecken; nach dem Umschalten der Leistung in die umgekehrte Richtung, die Hubstange fährt nach innen ein.
Die Bewegungsrichtung der Hubstange kann durch Umpolen der Gleichstromversorgung geändert werden.
Anmerkung:
1. Wenn Sie ein Netzteil für den Linearantrieb benötigen, klicken Sie bitte hier um sie zu kaufen.
2. Wenn Sie externe Endschalter verwenden möchten, um den Linearantrieb an einer beliebigen Position zu stoppen, klicken Sie bitte hier um zu kaufen. Wie schließe ich den Endschalter an? Bitte schauen Sie sich das Anschlussvideo an.
3. Wenn Sie einen Fernbedienungsschalter verwenden möchten, um Linearantriebe drahtlos zu bedienen, klicken Sie bitte hier um zu kaufen.
4. Wenn Sie zwei, drei oder vier Linearaktuatoren vollständig synchron steuern möchten, müssen Sie diesen Linearaktuatoren Hall Effekt Sensor hinzufügen, und einen Synchronisation Controller kaufen. klicken Sie bitte hier um zu kaufen. Wenn Sie Hall-Effekt-Sensoren zusammen mit Linearantrieben gekauft haben, bauen wir während der Produktion Hall-Effekt-Sensoren für Sie in die Linearantriebe ein.
Unterschiedliche Geschwindigkeiten und entsprechender Maximaler Schubkraft:
| Geschwindigkeit ohne Last | Volllastgeschwindigkeit | Maximaler Schubkraft | Selbsthemmungskraft |
| 5mm/s | 3mm/s | 3500N / 350 kg | 5000N / 500 kg |
| 10mm/s | 5.5mm/s | 2500N / 250 kg | 3500N / 350 kg |
| 16mm/s | 8.5mm/s | 2000N / 200 kg | 3000N / 300 kg |
Anmerkung:
1. Die obigen Daten sind die maximale Tragfähigkeit, die erreicht werden kann, wenn der Linearantrieb in vertikaler Richtung läuft. Wenn das Gewicht Ihrer Ausrüstung (z. B. einer Kellertür) 100 kg beträgt und Sie einen Linearantrieb zum Öffnen dieser Tür verwenden möchten, müssen Sie die tatsächlich auf den Linearantrieb wirkende Kraft gemäß Ihrer Installationsmethode berechnen. Diese Kraft beträgt in der Regel das 2-5 fache des Gewichts der Kellertür. Wenn Sie nicht wissen, wie man es berechnet, wenden Sie sich bitte an uns, um Hilfe zu erhalten.
2. Das Obige ist die Geschwindigkeit ohne Last, und die tatsächliche Arbeitsgeschwindigkeit wird sich allmählich verlangsamen, wenn die Last zunimmt. Die Geschwindigkeit bei voller Last beträgt etwa 60–70% der Geschwindigkeit ohne Last.
3. Unterschiedliche Geschwindigkeiten entsprechen unterschiedlichen Höchstlasten. Bitte wählen Sie die richtige Geschwindigkeit entsprechend der Geschwindigkeit und der maximalen Belastung, die Sie benötigen.
4. Linearantriebe sind nicht für den Dauerbetrieb mit maximaler Last geeignet, wir empfehlen ihn bei etwa der Hälfte der Maximallast arbeiten zu lassen, um eine längere Lebensdauer zu erreichen.
5. Bei Linearaktuatoren mit einem Hub von mehr als 500 mm sollten Sie sie normalerweise nicht mit ihrem maximalen Hub unter schweren Lasten arbeiten lassen. Wenn Sie einen Hub von 600 mm wünschen, empfehlen wir Ihnen, einen Linearantrieb mit einem Hub von 700-800 mm zu wählen.
6. Die maximale Zugkraft der Linearantrieb ist etwas geringer als seine maximale Schubkraft.
Produktionszeit:
Die Linearantriebe sind kundenspezifische Produkte, und diese Produkte sind nicht auf Lager, wir brauchen 3~7 Arbeitstage, um sie nach den in Ihrer Bestellung angegebenen Parametern herzustellen.
Retoure oder Austausch:
Die Linearantriebe sind kundenspezifische Produkte, wir müssen sie gemäß den in Ihrer Bestellung angegebenen Parametern herstellen, damit wir keine Rücksendungen akzeptieren oder Bestellungen stornieren können. Bestellen Kunden ungeeignete Linearantriebe selbst, nehmen wir auch keinen Umtausch an, bitte haben Sie Verständnis.
Wir können 3D CAD Modell Dateien im STEP-Format für Linearantriebe zur Verfügung stellen. Bitte kontaktieren Sie uns per E-Mail, wenn Sie sie benötigen.