2 Kanäle AC 380V 30A Hochleistung Funkschalter Set für Wechselstrom Geräte (Modell 0020072)

Normaler Preis €51,00

Lieferumfang:
1 X Empfänger: S2PU-AC380-ANT3
1 X Sender: CG-2
1 X Bedienungsanleitung

Anwendung:
Dies ist ein Funkschalter Set, bestehend aus einem Empfänger S2PU-AC380-ANT3 und einem Sender CG-2. Es kann in der Industrie-Automatisierung, Landwirtschaft-Automation und Heim-Automation, wie Fabrik, haus, bauernhof, weide, Fahrzeugen, Schiffen, Offshore-Betrieb, Luftfahrzeug, Feld Anruf, usw. Es kann drahtlose fernbedienung verschiedene ausrüstungen an Land, Wasser und Luft, wie Funklichtschalter, Sirenen, Schlösser, Motoren, Ventilatoren, Winden, Jalousien, Elektrozylinder, Türen, Fenster, Elektromagnetventile, Signalisierung, Geschäftsschilder usw.

Merkmal:
Drahtlose Steuerung, einfach zu installieren.
Universalnetzteil: AC 220~380V, unterstützung AC 220V, AC 240V, AC 380V.
Relaisausgang: Der Empfänger ist Relaisausgang. Es können zur Steuerung DC und AC Geräte verwendet werden. Die Klemmen sind NO / NC (normalweise geöffnet / normalweise geschloßen) und es ist wie ein Funkschalter. Es bedeutet, dass Sie auch eine separate Stromversorgung an Geräte anschließen sollen.
Hohe Leistung: Jeder Kanal kann bei maximalem Strom 30A arbeiten.
Mit 3 manuellen Tasten: Sie können die manuellen Tasten drücken, um die Geräte zu steuern.
Mit externer Teleskopantenne, der Empfänger hat einen größeren Arbeitsbereich.
Sie können die Geräte durch den Empfänger und den Sender (Fernbedienung) steuern von jedem Orten innerhalb einer zuverlässigen Entfernung.
Die drahtlose Funksignale können durch Wände, Böden und Türen laufen.
Geschutzt vor Gegenstrom und übermäßigem Strom.
Zuverlässige Kontrolle: Der Code besteht aus Tausenden verschiedener Kombinationen, und der Empfänger arbeitet nur mit dem Sender, der den gleichen Code verwendet.
Ein oder einige Sender können einen oder einige Empfänger gleichzeitig kontrollieren.
Sie können zwei oder mehrere Geräte am selben Ort verwenden.

Empfängerparameter:
Modell: S2PU-AC380-ANT3
Stromversorgung (Betriebsspannung): AC 220V~380V (220V/240V/380V)
Ausgang: Relaisausgang (normal geöffnet und normal geschlossen)
Drahtbereich für die Terminals: 22-12 AWG
Betriebsfrequenz: 433.92MHz
Kanal: 2 CH
Kontrolle Modi: Selbstsichernd, Momentan, Verriegelung, Momentan + Selbstsichernd
Statische Strom: ≤6mA
Maximaler Laststrom: 30A / jeder Kanal
Betriebstemperatur: -20 ° C bis +70 ° C
Maße der PCB: 92 x 86 x 24 mm
Maße des Gehäuses: 115 x 90 x 40 mm

Senderparameter:
Modell: 0021056 (CG-2)
Mit Wandklebrige Stütze
Kanal / Knopf: 2 (1, 2)
Betriebsspannung: 12V (1 x 23A-12V Batterie, 12 Monate Laufzeit)
Betriebsstrom: 8mA
Betriebsfrequenz: 433Mhz
Enkodierung Chip: SC2262
Sendeentfernung: 500m / 1500ft (Theoretisch)
Anpassung Modus: ASK
Betriebstemperatur: -20 °C bis+70 °C
Einheit Mass: 84 x 30 x 10 mm
Mass von der Befestigungsbügel: 87 x 63 x 10 mm

Passende Fernbedienungen:
Die Funkschalter kann mit verschiedenem Sender arbeiten, wie Modell CG-2 (500M), CG-3 (500M), C-2-2 (100M), CB-2 (1000M), oder CB-3-2 (1000M)usw.

Arbeitsbereich:
Mit dem Fernbedienung wie CG-2 kann die Reichweite max. 500M im Freifeld sein.
Der maximale Arbeitsabstand ist ein theoretischer Wert. Es soll auf einer offenen Erde bedient werden, darauf gibt es keine Absperrung und keine Interferenz. Aber in wirklichem Leben verhindert das Funksignal durch Bäume, Wände oder andere Bauwerke, und wird durch andere Funksignale gestört. Deshalb ist die wahre Entfernung kleiner als die max. Reichweite.
Wenn Sie einen größeren Arbeitsbereich wünschen, können Sie einen leistungsstarken Fernbedienung verwenden, zum Beispiel der Fernbedienung CB-2.

Verwendung (mit dem Sender CG-2/CG-3):
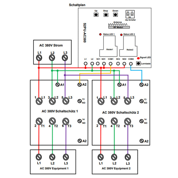
Der Empfänger kann verwendet werden, um AC 220V Pumpen, Motoren und andere Geräte, oder AC 380V Geräte durch die 380V Schütze zu steuern, und kann nicht direkt an die 380V Geräte angeschlossen werden.
Hinweis: Der Empfänger ist ein Relaisausgang, und kein DC / AC Leistungsausgang. Ausgangszustand der Relaisausgangsklemmen: Die Klemmen NO und COM sind normalerweise geöffnet; Die Klemmen NC und COM sind normalerweise geschloßen.

Einstellen des verschiedenen Kontrolle Modis:
Wir haben den Empfänger als Selbstsichernd Kontrolle Modus vor dem Versand eingestellt, Wenn Sie anderen Kontrolle Modi benutzen möchten, gehen Sie wie folgt:

1) Einstellung der Modus Selbstsichernd: Schalten Sie den DIP-Schalter 2 ein, und schalten Sie den DIP-Schalter 1 aus.
Modus Selbstsichernd (Arbeiten mit der Fernbedienung CG-2): Drücken -> Öffnen; Nochmal drücken -> Schließen.
Drücken Sie die Taste 1 des Senders: Das Relais 1 ist aktiviert, und der Schütz 1 ist angeschlossen, das Gerät 1 funktioniert.
Drücken Sie erneut die Taste 1: Das Relais 1 ist deaktiviert, und das Schütz 1 ist getrennt, das Gerät 1 funktioniert nicht mehr.
Drücken Sie die Taste 2 des Senders: Das Relais 2 ist aktiviert, und der Schütz 2 ist angeschlossen, das Gerät 2 funktioniert.
Drücken Sie erneut die Taste 2: Das Relais 2 ist deaktiviert, und das Schütz 2 ist getrennt, das Gerät 2 funktioniert nicht mehr.

2) Einstellung der Modus Momentan: Schalten Sie die Dip-Schalter 1 und 2 aus.
Modus Momentan (Arbeiten mit der Fernbedienung CG-2): Drücken und halten -> Öffnen; Loslassen -> Schließen.
Drücken und halten die Taste 1 des Senders: Das Relais 1 ist aktiviert, und der Schütz 1 ist angeschlossen, das Gerät 1 funktioniert.
Lassen Sie die Taste 1 los: Das Relais 1 ist deaktiviert, und das Schütz 1 ist getrennt, das Gerät 1 funktioniert nicht mehr.
Drücken und halten die Taste 2 des Senders: Das Relais 2 ist aktiviert, und der Schütz 2 ist angeschlossen, das Gerät 2 funktioniert.
Lassen Sie die Taste 2 los: Das Relais 2 ist deaktiviert, und das Schütz 2 ist getrennt, das Gerät 2 funktioniert nicht mehr.

3) Einstellung der Modus Verriegelung: Schalten Sie den DIP-Schalter 1 ein, und schalten Sie den DIP-Schalter 2 aus.
Modus Verriegelung (Arbeiten mit der Fernbedienung CG-3 oder CB-3-2): Drücken -> Öffnen; Drücken anderen Knopf -> Schließen.
Drücken Sie die Taste ▼ des Senders: Das Relais 1 ist aktiviert, und der Schütz 1 ist angeschlossen, das Gerät 1 funktioniert.
Drücken Sie die Taste ■ des Senders: Das Relais 1 ist deaktiviert, und das Schütz 1 ist getrennt, das Gerät 1 funktioniert nicht mehr.
Drücken Sie die Taste ▲ des Senders: Das Relais 2 ist aktiviert, und der Schütz 2 ist angeschlossen, das Gerät 2 funktioniert.
Drücken Sie die Taste ■ des Senders: Das Relais 2 ist deaktiviert, und das Schütz 2 ist getrennt, das Gerät 2 funktioniert nicht mehr.

4) Einstellung des Mischmodus (Momentan + Selbstsichernd): Schalten Sie die DIP-Schalter 1 und 2 ein.
Modus Momentan für Kanal 1 (Arbeiten mit der Fernbedienung CG-2): Drücken und halten -> Öffnen; Loslassen -> Schließen.
Drücken und halten die Taste 1 des Senders: Das Relais 1 ist aktiviert, und der Schütz 1 ist angeschlossen, das Gerät 1 funktioniert.
Lassen Sie die Taste 1 los: Das Relais 1 ist deaktiviert, und das Schütz 1 ist getrennt, das Gerät 1 funktioniert nicht mehr.

Modus Selbstsichernd für Kanal 2 (Arbeiten mit der Fernbedienung CG-2): Drücken -> Öffnen; Nochmal drücken -> Schließen.
Drücken Sie die Taste 2 des Senders: Das Relais 2 ist aktiviert, und der Schütz 2 ist angeschlossen, das Gerät 2 funktioniert.
Drücken Sie erneut die Taste 2: Das Relais 2 ist deaktiviert, und das Schütz 2 ist getrennt, das Gerät 2 funktioniert nicht mehr.

Manuelle Taste:
Drücken Sie die manuelle Taste ▼ des Empfängers: Das Relais 1 ist aktiviert, und der Schütz 1 ist angeschlossen, das Gerät 1 funktioniert.
Drücken Sie die manuelle Taste ■ des Empfängers: Das Relais 1 ist deaktiviert, und das Schütz 1 ist getrennt, das Gerät 1 funktioniert nicht mehr.
Drücken Sie die manuelle Taste ▲ des Empfängers: Das Relais 2 ist aktiviert, und der Schütz 2 ist angeschlossen, das Gerät 2 funktioniert.
Drücken Sie die manuelle Taste ■ des Empfängers: Das Relais 2 ist deaktiviert, und das Schütz 2 ist getrennt, das Gerät 2 funktioniert nicht mehr.
 


TOP